
自主研发设计
安装稳固便捷
小巧轻便吸力强
运行效率稳定
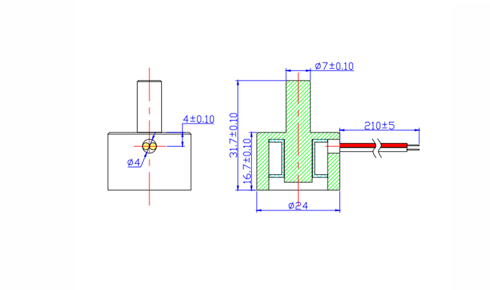
| 产品型号 | 吸盘式电磁铁X2417L |
| 额定电压 | AC24/110/220/380V |
| 吸力 | 5kg |
| 额定功率 | 2.5W |
| 总重量 | 420g |
| 安装孔 | M8 |
1.有效吸附距离为0mm(必须贴面吸附)不可以间隔任何物体
2.被吸物件表面应非常平整干净
3.被吸物件的吸合接触面积必须大于或等于电吸盘的吸合面(也就是电吸盘的最大外径)
4.被吸物件厚度大于8mm以上方可达到标称值的吸力,厚度减小,吸力也减小
5.正确使用电源、额定电压,现有电压有DC12VDC24VDC5V DC6V
6.被吸物体必须是导磁良好材料如(电工纯铁,低碳钢,矽钢片等)
7.产品工作中尽量避免空吸(空吸发烫),正常吸附发热属正常现象
8.通电有磁电磁铁不分正负极拍下默认已了解
01
强力耐久弹簧 - 强力弹簧韧性较高,重复使用依然弹性如初,保障每一次伸缩都能快进快出
02
国标紫铜线圈 - 采用国标紫铜线圈,绕制核心部件,散热更快,功耗小,升温低,长时间使用,提高电磁铁的工作效率以及延长寿命03
安装简单便捷 - 采用螺纹空固定,工作安装稳定,拆装方便,省时省力
04
散热性能好 - 采用优质原料,坚固耐用,散热好,不惧怕大温差变化,断电无剩磁