
自主研发设计
安装稳固便捷
小巧轻便吸力强
运行效率稳定
| 产品型号 | 圆管电磁铁T4069S |
| 额定电压 | AC24/110/220/380V |
| 额定行程 | 15mm |
| 额定吸力 | 1.5kg |
| 额定功率 | 20W |
| 通电率 | 10% |
| 动铁芯重量 | 120g |
| 总重量 | 420g |
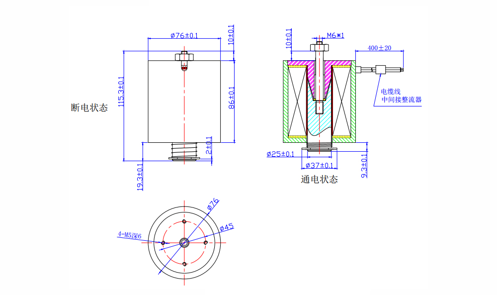
一、 结构组成
框架式电磁铁是利用电磁感应原理产生电磁的一种装置,在功能上同属于推拉电磁铁。在铁芯的外部缠绕与其功率相匹配的导电绕组,这种通有电流的线圈像磁铁一样具有磁性,它也叫做框架式电磁铁。我们通常把它制成条形或蹄形状,以使铁芯更加容易“磁化”。
二、工作原理
由于采用高导磁的材料和带有锥形配合的磁路结构,因此产品虽然体积小、重量轻,但与常规的小型电磁铁相比,其行程和吸引力都较大,因其绕线空间利用率高,线圈部分是敞开式的,散热效果好。

01
强力耐久弹簧 - 强力弹簧韧性较高,重复使用依然弹性如初,保障每一次伸缩都能快进快出
02
国标紫铜线圈 - 采用国标紫铜线圈,绕制核心部件,散热更快,功耗小,升温低,长时间使用,提高电磁铁的工作效率以及延长寿命03
安装简单便捷 - 采用螺纹空固定,工作安装稳定,拆装方便,省时省力
04
散热性能好 - 采用优质原料,坚固耐用,散热好,不惧怕大温差变化,断电无剩磁