
自主研发设计
安装稳固便捷
小巧轻便吸力强
运行效率稳定
| 产品型号 | 双保持电磁铁KS0826L |
| 额定电压 | AC24/110/220/380V |
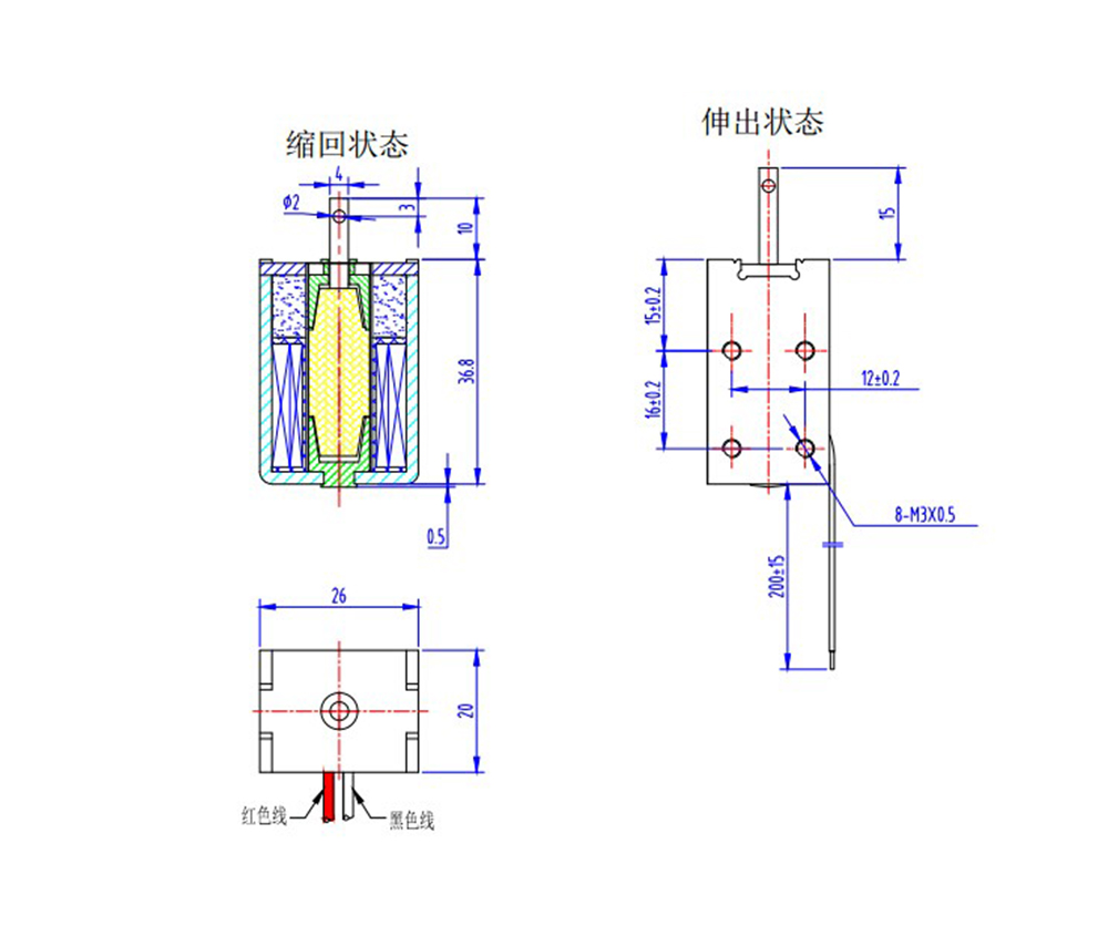
| 额定行程 | 15mm |
| 额定吸力 | 1.5kg |
| 额定功率 | 20W |
| 通电率 | 10% |
| 动铁芯重量 | 120g |
| 总重量 | 420g |
一、 结构组成
实际上,保持式电磁铁全是推拉门式保持式电磁铁.它是一种直流电保持式电磁铁,它的基本原理和结构,保持式电磁铁都是一样的,唯一的差距就是永磁体放进保持式电磁铁里面。因此,导致支撑架在日程安排的最末端可以逗留在那里并保持一定的保持力,依据转换不一样的反方向工作频率来控制杆的运行方向。
二、工作原理
保持式电磁铁的基本原理相近所有其他平行面线形移动保持式电磁铁的基本原理。当电容器通电被激起之后,导轨滑块将由于电磁场的作用而坐向磁芯移动,并最终停在最终位置。当断掉电源变压器时,其导轨滑块依然可以依据永久磁场的电磁场保持,从而可以将其保持在原始位置。倘若要返回导轨滑块,则尽量释放出来反方向工作频率或电流值。

01
强力耐久弹簧 - 强力弹簧韧性较高,重复使用依然弹性如初,保障每一次伸缩都能快进快出
02
国标紫铜线圈 - 采用国标紫铜线圈,绕制核心部件,散热更快,功耗小,升温低,长时间使用,提高电磁铁的工作效率以及延长寿命03
安装简单便捷 - 采用螺纹空固定,工作安装稳定,拆装方便,省时省力
04
散热性能好 - 采用优质原料,坚固耐用,散热好,不惧怕大温差变化,断电无剩磁